Nhà sản xuất: LS Industrial Systems
Mã sản phẩm: EBN104c 4P-40A 18kA
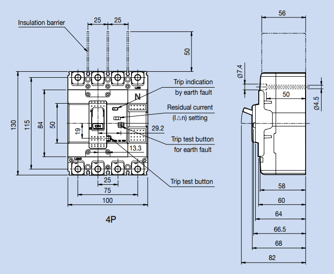
EBN104c40A Aptomat chống giật khối 4Pha -40A -18kA
- Điện áp hoạt động : AC 380V
- Định mức dòng (In): 40A
- Dòng cắt ngắn mạch (Icu) : 18kA
- Dòng ngắn mạch : 30mA/100mA/500mA
- Tiêu chuẩn : IEC 60947-2
- Chức năng: Dùng để kiểm soát Chống dòng rò, Bảo vệ quá tải và ngắn mạch
- Dùng trong mạng lưới điện dân dụng
- Kích thước : 100*130*60
Kích thước lắp đặt Aptomat LS Chống giật 4 cực EBN104c





